Unirii 59
- Suprafata 85 mp
- An 1996
- Decomandat
- Etaj 2 din 7
Descriere anunt
De vanzare apartament complet decomandat cu 3 camere, spatios si luminos, stradal, etajul 2 din 7, pe Bulevardul Unirii nr. 59, deasupra Bancii Transilvania, situat la intersectia Bd. Unirii cu str. Traian. Suprafata utila a apartamentului este de 75 m.p. la care se adauga 2 balcoane de 10 m.p.
Locatie foarte buna, cu acces rapid la toate facilitatile urbane, foarte aproape de Piata Unirii, Piata Alba Iulia, Mall Vitan etc. Zona de promenada deosebita pe tot Bulevardul Unirii.
Acces facil la transportul public: STB (104, 123, 97, N104, N111, N122) si la statia de metrou Unirii asigurand legaturi rapide cu toate zonele importante din Bucuresti, inclusiv pe timp de noapte.
Apartamentul este alcatuit dintr-un living spatios, bucatarie, 2 dormitoare, 2 bai, 2 debarale, 2 balcoane.
Apartamentul este ideal pentru familii cu copii, birou sau investitie.
Orientare foarte buna, lumina naturala optima pe tot parcursul zilei in fiecare camera.
Alte avantaje:
- Primul proprietar
- Se discuta direct cu proprietarul, fara intermediari
- Acte in regula, clare, fara probleme juridice, cadastru si intabulare
- Structura monolit
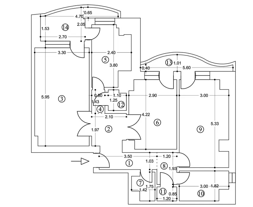
- Excelent compartimentat (a se vedea schita cadastrala)
- Toate camerele au vedere stradala, lumina naturala pe toata durata zilei
- 2 balcoane mari 10 m.p. Unul dintre balcoane ofera deschidere pentru sufragerie si bucatarie, iar celalalt deschidere pentru ambele dormitoare.
- posibilitati multiple de (re)amenajare, dupa bunul plac
- S-a pastrat compartimentarea initiala - nu s-au daramat ziduri/incaperi. Apartamentul este identic ca in cadastru.
- Camere de supraveghere la intrarea in bloc. De asemenea, iluminare pe timp de noapte si camere de supraveghere la punctul de livrare Someday – Easybox din fata intrarii in bloc.
- Parcare publica (cu plata) in fata blocului si posibilitatea inchirierii unui loc de parcare de la primarie in spatele blocului
- Etaj inferior, scara civilizata, moderna
- Loc de joaca ingradit pentru copii in spatele blocului
- Proprietatea este disponibila imediat
- Usor negociabil daca se achizitioneaza fara credit bancar
- Nu platim comision agentiilor imobiliare
Pentru mai multe detalii sau pentru a programa o vizionare, contactati direct proprietarul: Cristi.


Vezi galeria